搜索
选型报价
开关控制
耐震电接点压力表
YCXC-100
产品说明

适应工况
主要测压元件及仪表外壳均采用不锈钢材料设计,适于测量腐蚀性较强的气体及液体的压力。
通过对表体内充油,利用液体阻尼确保无振动显示,适用于测量介质强烈脉动及环境震动较大的场所。
主要技术参数
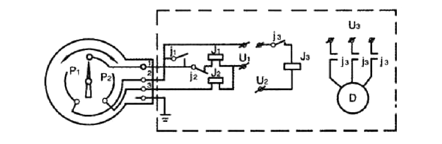
电气线路连接示意图

产品资料
| 型号 | 外观 | 品名 | 相关说明书 |
| YCXC-100 | ![]() |
耐震电接点压力表 |
不锈钢压力表系列选型指南 在线查看>数字压力表选型指南 在线查看>隔膜压力表选型指南 在线查看> |
| 型号 | YCXC-100 |
| 外观 | ![]() |
| 品名 | 耐震电接点压力表 |
| 相关说明书 |
不锈钢压力表系列选型指南
在线查看>
数字压力表选型指南
在线查看>
隔膜压力表选型指南
在线查看>
|
技术问题/售后咨询
联系电话400-660-6950(2)
报价/交货期咨询
联系电话400-660-6950(1)
投诉与建议
联系电话400-660-6950(0)