应运而生  因诚而存 EMERGE AS THE TIMES REQUIRE
DEVELOPMENT BASED ON INTEGRITY
二维码 赫斯曼差压变送器

赫斯曼差压变送器

选型指南

Selection Guide

安徽运诚科技集团有限公司基于2019.06版

www.ahyc.group该版本最新修订于2022-03-26

赫斯曼差压变送器

前言

感谢您购买本公司产品。
本手册是关于产品的各项功能、接线方法、设置 方法、操作方法、故障处理方法等的说明书。
在操作之前请仔细阅读本手册,正确使用本产品, 避免由于错误操作造成不必要的损失。
在您阅读完后,请妥善保管在便于随时取阅的地 方,以便操作时参照。

注意

本手册内容如因功能升级等有修改时,恕不通知。
本手册内容我们力求正确无误,如果您发现有误, 请与我们联系。
本手册内容严禁转载、复制。
本产品禁止使用在防爆场合。

确认包装内容
打开包装箱后,开始操作之前请先确认包装内容。如发现型号和数量有误或者外观上有物理损坏时,请与本公司联系。

概述

差压变送器采用硅压阻式差压充油芯体组装而成。外壳为全不锈钢结构,具有很强的耐腐蚀性,两个压力接口为螺纹连接,可直接安装在测量管道上或通过引压管连接。差压变送器有标准电压、电流输出等可供选择, 可以很方便地安装使用,广泛应用于过程控制,航空, 航天,汽车,医疗设备,HVAC 等领域的差压、液位、流量测控等。

主要特点

  1. 316L 不锈钢隔离膜片结构

  2. 测量差压值

  3. 安装方便

  4. 产品可外部调节零点、满程

  5. 具有短路保护和反极性保护

  6. 抗冲击,抗振动,抗电磁兼容

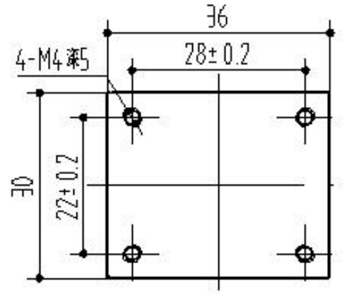
外形尺寸及安装

一体化赫斯曼差压变送器
底面尺寸图

技术参数

  1. 供电输出:4~20mA(16~36V) 0~5V、1~5V(12~36V)

  2. 精度:0.5 级

  3. 量程范围:0~10kPa…2.5MPa

  4. 静压:20MPa

  5. 压力类型:差压

  6. 补偿温度:-10℃~70℃

  7. 工作温度:-10℃~70℃

  8. 介质温度:-10℃~70℃

  9. 储存温度:-40℃~125℃

  10. 零点输出温度漂移:±1.5%FS

  11. 满量程输出温度漂移:±1.5%FS

  12. 过载压力:150%FS

  13. 长期稳定性:±0.2%FS/年

  14. 响应时间:≤10ms(上升到 90%FS)

  15. 绝缘电阻:200MΩ/250VDC

  16. 防护等级:IP65

  17. 负载电阻:(U-8V)/0.021A,U:供电电压

电气连接

2线电流

电流:
红线:电源正
绿线:电流输出

使用与安装

  1. 压力变送器应尽量安装在温度波动小的地方, 同时要避免震动和冲击。

  2. 压力变送器可直接安装在测量点上。连接螺纹:M20*1.5、M16*1.5、G1/2、G1/4、NPT1/2 和 NPT1/4。特殊螺纹请联系业务员。

  3. 信号不要与其它电源线一起通过线管或明线 槽,也不可在大功率设备附近穿过。

  4. 变送器如需采用引压管,应注意强腐蚀性的或过热性的介质不应与变送器接触,防止渣子在引压管内沉淀,引压管尽可能短。并且在测量蒸汽或其它高温介质时,不应使变送器的工作温度超过极限,用于蒸汽测量时,引压管要充满水,以防变送器与蒸汽直接接触。

压力变送器安全说明

  • 搬运与安装变送器时应小心谨慎,避免碰撞而影响电路的性能。

  • 变送器进压口内有隔离膜片,切勿人为用异物触碰。

  • 变送器外螺纹处一定要注意密封,否则会造成压力不准不稳。

  • 在产品安装使用中如遇到问题请与我公司联 系,在产品发生异常时,请不要擅自打开进行修理,应及时与厂家联系。

  • 本产品禁止使用在防爆场合。

  • 注意事项

    1. 该变送器使用在对硅和不锈钢(或铝合金)无腐蚀的介质中。

    2. 所测系统瞬间可能出现最大压力不能超过载压力额定值。

    3. 压力变送器的背端不能接触导电性、腐蚀性液体或气体。

    4. 不能把尖硬的东西插入压力输入孔,以防将芯体损坏。

    5. 传感器后端引线不能进水。

    6. 使用时请严格按注意事项执行,否则后果自负。

    质保及售后服务

    本公司向客户承诺,本仪表供货时所提供的硬件附件在材质和制造工艺上都不存在缺陷。

    从仪表购买之日开始计算,质保期内若收到用户关于此类缺陷的通知,本公司对确实有缺陷的产品实行无条件免费维护或者免费更换,对所有非定制产品一律保证 7 天内可退换。

    免责声明

    在质保期内,下列原因导致产品故障不属于三包服务范围:

    (1)客户使用不当造成产品故障。
    (2)客户对产品自行拆解、修理和改装造成产品故障。

    售后服务承诺:

    (1)客户的技术疑问,我们承诺在接收用户疑问后 2 小时内响应处理完毕。
    (2)返厂维修的仪表我们承诺在收到货物后 3 个工作日内出具检测结果,7 个工作日内出具维修结果。

    注意

    本手册内容我们力求正确无误,如果您发现有误,请与我们联系。
    本手册内容严禁转载、复制。
    如无防爆标识、产品禁止使用在防爆场合。

    温馨提示:

    点击目录中的标题可以跳转到对应的栏目,方便使用。

    在您阅读完后,可以收藏该网址,以便随时参照。

    应运而生  因诚而存 EMERGE AS THE TIMES REQUIRE
    DEVELOPMENT BASED ON INTEGRITY

    安徽运诚科技集团有限公司

    地址:天长市张铺工业集中区

    电话:400-660-6950

    官网:www.ahyc.group

    邮箱:sales@ahyc.group

    目  录
    集团官网

    封面