微差压型压力变送器

01 产品概述
风压变送器采用压阻式压力传感芯片,利用基板上的薄膜电阻进行零点校正、零点温度补偿和敏度补偿,高性能稳定的硅芯片封装,使得其耐静压值高,抗干扰、稳定可靠。因此该产品可应用于各种气体测量的微差压场合。是工业自动化领域理想的微差压测量仪表。
本产品应用于水厂、炼油厂、污水处理厂、建材、轻工、机械等工业领域,实现对液体、气体、蒸汽压力的测量。
集成芯片、宽电压供电
抗干扰能力强
限流、限压、反接保护(仅限电流输出)
精度高、稳定性好、响应速度快
1.1 产品参数
| 测量介质 | 气体(与接触材质兼容) |
| 整体材质 | 膜片,硅芯片,中8宝塔嘴LY12铝,密封件:丁晴橡胶 |
| 供电电源 | DC 12V~32V(标准24V) |
| 输出信号 | 4~20mA、0~10mA、1~5V、0~5V |
| 量程范围 | 0~100Kpa |
| 补偿温度 | 0~50°℃ |
| 介质温度 | -20~70℃ |
| 环境温度 | -20~70℃ |
| 工作方式 | 差压、微差压 |
| 综合精度 | 0.2/0.5级可选 |
| 零点温度漂移 | ±0.03%F.S/C |
| 灵敏度温度漂移 | ±0.03%F.S/c |
| 过载压力 | 300%F.S |
1.1.1 量程范围
| 差压量程(kpa) | 0-0.1 | 0-0.2 | 0-0.5 | 0-1 | 0-2 | 0-5 | 0-10 | ±0.1 | ±0.2 | ±0.5 | ±1 | ±2 | ±5 | ±10 |
| 静压上限(kpa) | ±10 | ±10 | ±10 | ±10 | ±20 | ±50 | ±100 | ±10 | ±10 | ±10 | ±10 | ±20 | ±55 | ±100 |
1.2 接线图

电流输出接线图(两线制)

出接线电压输图(三线制)

RS485输出接线图
注:代表屏蔽线,所标注接地点必须全部有效接地。
1.3 安装注意事项
!警告
须在无加压和无供电的情况下进行设备的安装。
变送器必须由阅读并理解本操作手册的专业技术人员进行安装。
本产品非防爆,在防爆区使用会引起严重的人身伤害和重大物质损失。
禁止测量与变送器接触材质不兼容的介质。
当收到产品时请检查包装是否完好,并核对变送器型号和规格是否与您选购的产品相符。
不能在设备上进行任何修改或变更。
要轻拿轻放不能随意抛扔,安装该变送器时请不要用蛮力。
变送器可直接接入软管连接,可直接与被测现场的高(H)低(L)压相连,无需安装支架:高压端取低压端对大气可作为压力变送器使用,相反低压端取高压端对大气压可以作为负压变送器,真空变送器使用。
安装时建议使两端压力接囗处于水平以便使安装位置对变送器影响降至最小。若接口和现场接口尺寸不符,可自制转换接头连接。
尽录安装在温度梯度变化小的场合。
如果变送器被安装在恶劣现场会遇到雷击或过压危险的损坏时,我们建议用户在配电箱或电源与变送器之间进行防雷击和过压保护。
本产品属于弱电设备,布线时必须与强电缆分开布设,应遵守国家相关布线标准(GB/T50312一2016)
确保电源供电电压符合变送器供电要求。确保最大静压在该变送器的可承受范围内。
在压力测量过程中,应缓慢加压和御压,避免瞬间加至高压或降至低压。
传感器属于精密器件,用户在使用时请不要自行拆解,更不能触碰膜片,以免造成产品损坏。
1.4 订货须知
!警告
用户在定购压力变送器时要注意根据介质、温度、防护等级和环境条件选择合适的规格。
02 机型的选择
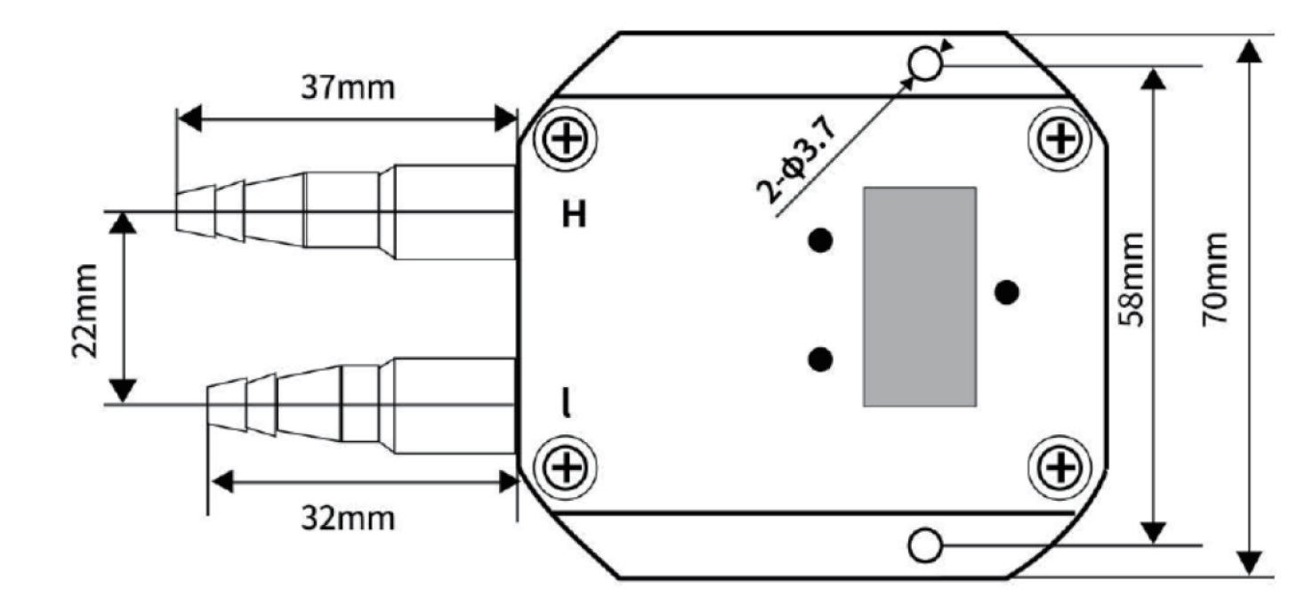
2.1 常规型

外形尺寸


2.2 LCD型

外形尺寸


2.3 LED型

外形尺寸


质保及售后服务
本公司向客户承诺,本仪表供货时所提供的硬件附件在材质和制造工艺上都不存在缺陷。
从仪表购买之日开始计算,质保期内若收到用户关于此类缺陷的通知,本公司对确实有缺陷的产品实行无条件免费维护或者免费更换,对所有非定制产品一律保证 7 天内可退换。
免责声明
在质保期内,下列原因导致产品故障不属于三包服务范围:
(1)客户使用不当造成产品故障。
(2)客户对产品自行拆解、修理和改装造成产品故障。
售后服务承诺:
(1)客户的技术疑问,我们承诺在接收用户疑问后 2 小时内响应处理完毕。
(2)返厂维修的仪表我们承诺在收到货物后 3 个工作日内出具检测结果,7 个工作日内出具维修结果。
注意
本手册内容我们力求正确无误,如果您发现有误,请与我们联系。
本手册内容严禁转载、复制。
如无防爆标识、产品禁止使用在防爆场合。
温馨提示:
点击目录中的标题可以跳转到对应的栏目,方便使用。
在您阅读完后,可以收藏该网址,以便随时参照。
DEVELOPMENT BASED ON INTEGRITY
安徽运诚科技集团有限公司
地址:天长市张铺工业集中区
电话:400-660-6950
官网:www.ahyc.group
邮箱:sales@ahyc.group