温度变送器
产品概述
一体化温度变送器(以下简称温度变送器)由温度传感器和信号转换器组成、信号转换器安装在温度传感器的冷端接线盒内,把温度传感器检测到的电压、电阻信号直接转换成4~20mA 电流输出。结构简单,安装、使用、维修方便,是新一代温度检测、控制仪表,深受广大设计人员和用户的欢迎。目前已广泛用于石油、化工、冶金、电站、轻工等部门,与调节器、记录仪表、计算机等配套使用,组成各种测量控制系统。
该温度变送器按温度传感器不同,分为热电偶和热电阻两种系列,在每种系列中,根据使用场合的的不同分为隔爆型和普通型,根据输出功能的不同,分为带现场显示和不带现场显示。用户可根据使用场合和配套仪表的要求选择适当的规格型号。
隔爆型温度变送器经国家级仪器仪表防爆安全监督检验站测试合格,可在爆炸性气体环境中使用。
主要特点
二线制传送。信号转换器供电的两根导线同时也传送输出信号。
输出恒流信号(4~20mA)。抗干扰能力强、远传性能好。
信号转换器用环氧树脂封装成模块,具有抗震动、耐腐蚀、防潮湿等优点,可用于条件较差的场所。
热电偶的毫伏信号经信号转换器直接转换成 4~20mA 电流输出、用普通电缆线传送信号,可省去价格昂贵的补偿导线。
带现场显示的温度变送器既输出 4~20mA 的电流信号,又能在测温现场读到实测温度,给操作人员带来很大方便。
技术指标
| 属性 | 参数值 |
|---|---|
| 测量介质 | 液体、气体、固体、颗粒等(与产品过程连接材料兼容) |
| 压力形式 | 表压、绝压 |
| 量程 | -198℃~100℃/主要测量超低温介质温度; |
| -50℃~100℃/主要测量环境温度; | |
| 0℃~100℃~~500℃/PT100 型测量高温介质温度; | |
| 0℃~500℃~1000℃/热电偶型测量高温/超高温介质温度; | |
| 温度芯片 | PT100/PT1000 热电阻类; |
| J/K/E 等热电偶类; | |
| 综合精度 | ±0.25%FS, ±0.5%FS; |
| ±1%FS; | |
| ±2%FS; | |
| 输出信号 | 电流型:4-20mA(二线制); |
| 电压型:1-5VDC(三线制); | |
| 数字通讯型:RS485-RTU(四线制); | |
| 四位显示,显示范围:-1999 - 9999 | |
| 温度表头采样速率:10 次/S | |
| 供电电压 | 24VDC(12-30VDC)/通用类型输出信号供电; |
| 绝缘阻抗 | ≥1000 MΩ /100VDC; |
| 介质温度 | -198℃~100℃/主要测量超低温介质温度; |
| -50℃~100℃/主要测量环境温度; | |
| 0℃~100℃~~500℃/PT100 型测量高温介质温度; | |
| 0℃~500℃~1000℃/热电偶型测量高温/超高温介质温度; | |
| 环境温度 | -40~70℃ |
| 稳定性 | ≤±0.5%FS/年 |
| 振动影响 | ≤±0.25%FS/年(机械振动频率 20Hz~1000Hz) |
| 耐压压力 | 通用小于 10 个大气压,特殊要求需定制 |
| 防护等级 | IP65/IP68 |
| 连接材料 | 304/316L/刚玉等 |
| 过程连接 | M20X1.5,G1/2,用户制订规格 |
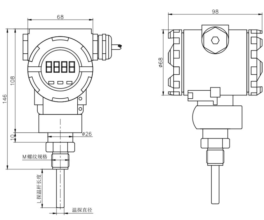
结构尺寸
赫斯曼型温度变送器结构
2088 榔头型温度变送器结构产品选型
代码实例
| YCSBWZ | 0-100℃ | 100 | 2088S | OA | C3 | G01 | Φ8/50 | 1m | 000 |
| 1 | 2 | 3 | 4 | 5 | 6 | 7 | 8 | 9 | 10 |
实例含义
| PT100S | 普量温度产品型号 |
| 0~100℃ | 温度量程范围结构规格 |
| 100 | 芯片类型:100/PT100,K/K 型热电偶,等 |
| 2088S | 温度变送器结构:2088 榔头型 |
| OA | 输出类型:4-20mA 模拟量信号 |
| C3 | 精度等级:0.5 级 |
| G01 | 过程连接;M20X1.5 |
| Φ 8/50 | 传感器探杆尺寸:直径 8mm,长度:50mm(含螺纹长度) |
| 1m | 温度补偿导线长度:1 米 |
| 000 | 省略;用户没有特定要求 |
选型参数
1.基本型号:YCSBWZ
2.温度量程范围
| X-Y | -198℃~100℃/主要测量超低温介质温度; |
| -50℃~100℃/主要测量环境温度; | |
| 0℃~100℃~200℃~300℃~400℃~500℃/PT100 型测量高温介质温度; | |
| 0℃~500℃~600℃~1000℃/热电偶型测量高温/超高温介质温度; |
3.芯片类型
| 100 | PT100 芯片; | S | S 型热电偶芯片; |
| 1000 | PT1000 芯片; | R | R 型热电偶芯片; |
| J | J 型热电偶芯片; | B | B 型热电偶芯片; |
| K | K 型热电偶芯片; | N | N 型热电偶芯片; |
| E | E 型热电偶芯片; | T | T 型热电偶芯片; |
4.结构类型
| 2088S | 2088 榔头型温度变送器结构 |
| 503S | 503 柱状赫斯曼型温度变送器结构 |
5.输出信号
| OA | 4~20mA 二线制 | OK | RS485-RTU |
| OA-1 | 1~5VDC 三线制 | OO | 定制规格 |
6.综合精度
| C2 | ±0.25%FS |
| C3 | ±0.5%FS |
| C4 | ±1%FS |
| C5 | ±2%FS |
7.过程连接
| G01 | M20*1.5 | G10 | G1/8 |
| G02 | G1/2 | G11 | M12X1.25 |
| G03 | ZG1/2 | G12 | M8X1 |
| G04 | 1/2NPT | DN50 | 法兰 DN50 |
| G05 | G1/4 | DN65 | 法兰 DN65 |
| G06 | ZG1/4 | DN80 | 法兰 DN80 |
| G07 | 1/4NPT | DN100 | 法兰 DN100 |
| G08 | R1/4 | DN125 | 法兰 DN125 |
| G09 | G3/8 | G00 | 定制规格 |
8.探杆尺寸
| Φ 8/50 | 探杆直径 8mm,长度 50mm(包含螺纹长度) |
| 按实际购产品规格填写 |
9.传感器补偿导线长度
| 1m | 按实际补偿线的度定填写 |
10.用户制定代码
| 000 | 如:316,产品材料规格为 316L 不锈钢 |
附一:数据通信
通用型(供电 12-30VDC)MODBUS-RTU RS485 数据通信协议
概述
本协议遵守MODBUS 通信协议,采用了MODBUS 协议中的子集中RTU 方式.RS485 半双工工作方式。
串行数据格式
串口设置:无校验,8 位数据,1 位停止位。
举例:9600,N,8,1 含义:9600bps,无校验,8 位数据位,1 位停位。
本变送器支持的串口波特率为
1200,2400,4800,9600,19200,38400,57600,115200
CRC 校验的多项式:0xA001。
数据通信过程中的数据全部是按照双字节整形数据来处理,如果数据标识的是浮点数,写需要读取小数点来确定数据的大小。
通信格式
1.读命令格式(03 功能码)
A.发送读命令格式举例
| 地址 | 功能码 | 数据起始 (H) | 数 据 起 始 (L) | 数 据 个 数 (H) | 数据个数 (L) | CRC16 (L) | CRC16 (H) |
| 0X01 | 0X03 | 0X00 | 0X00 | 0X00 | 0X01 | 0X84 | 0X0A |
B.返回读数据格式:举例
| 地址 | 功能码 | 数据长度 | 数据 (H) | 数据 (L) | CRC16 (L) | CRC16 (H) |
| 0X01 | 0X03 | 0X02 | 0X00 | 0X01 | 0X79 | 0X84 |
2.写命令格式(06 功能码)
举例
| 地址 | 功能码 | 数据起始 (H) | 数 据 起 始 (L) | 数据 (H) | 数据 (L) | CRC16 (L) | CRC16 (H) |
| 0X01 | 0X06 | 0X00 | 0X00 | 0X00 | 0X02 | 0X08 | 0X0B |
B.返回读数据格式:举例
| 地址 | 功能码 | 数据起始 (H) | 数 据 起 始 (L) | 数据 (H) | 数据 (L) | CRC16 (L) | CRC16 (H) |
| 0X01 | 0X06 | 0X00 | 0X00 | 0X00 | 0X02 | 0X08 | 0X0B |
3.异常应答返回
| 地址 | 功能码 | 异常码 | CRC16 (L) | CRC16 (H) |
| 0X01 | 0X80+ 功能码 | 0x01(非法功能) 0x02( 非法数据地址) 0x03(非法数据 |
支持的命令及命令和数据意义
MODBUS-RTU 协议命令列表如下
| 功能码 | 数据起始地址 | 数据个数 | 数据字节 | 数据范围 | 指令意义 |
|---|---|---|---|---|---|
| 0x03 功能码读取数据 | |||||
| 0x03 | 0x0000 | 1 | 2 | 1-255 | 读取从机地址 |
| 0x03 | 0x0001 | 1 | 2 | 0-1200 | 波特率读取 |
| 1-2400 | |||||
| 2-4800 | |||||
| 3-9600 | |||||
| 4-19200 | |||||
| 5-38400 | |||||
| 6-57600 | |||||
| 7-115200 | |||||
| 0x03 | 0x0003 | 1 | 2 | 0-#### | 小数点分别代表 0-3 位小数点 |
| 1-###.# | |||||
| 2-##.## | |||||
| 3-#.### | |||||
| 0x03 | 0x0002 | 1 | 2 | 0-Mpa | 压力单位 |
| 1-Kpa | |||||
| 2-Pa | |||||
| 3-Bar | |||||
| 4-Mbar | |||||
| 5-kg/cm² | |||||
| 6-psi | |||||
| 7-mh²o | |||||
| 8-mmh²o | |||||
| 0x03 | 0x0004 | 1 | 2 | -32768-32767 | 测量输出值 |
| 0x03 | 0x0005 | 1 | 2 | -32768-32767 | 变送器量程零点 |
| 0x03 | 0x0006 | 1 | 2 | -32768-32767 | 变送器量程满点 |
| 0x03 | 0x000c | 1 | 2 | -32768-32767 | 零位偏移值 出厂一般为 0 |
| 0x06 功能码写数据 | |||||
| 0x06 | 0x0000 | 2 | 1-255 | 改写从机地址 | |
| 0x06 | 0x0001 | 2 | 0-1200 | 修改波特率 | |
| 1-2400 | |||||
| 2-4800 | |||||
| 3-9600 | |||||
| 4-19200 | |||||
| 5-38400 | |||||
| 6-57600 | |||||
| 7-115200 | |||||
| 5-38400 | |||||
| 6-57600 | |||||
| 7-115200 | |||||
| 0x06 | 0x000c | 2 | -32768 ~ 32767 | 零位偏移值 压力输出值= 校准测量值+零位偏移值 | |
| 保存和恢复工厂 | |||||
| 0x06 | 0x000F | 2 | 0- 保存到用户区 | ||
| 0X06 | 0x0010 | 2 | 1- 返回工厂参数 | ||
说明
修改波特率时变送器会以主机发送的波特率回复修改数据,回复完以后变送器波特率会变为修改后的目标值.
修改地址时也是以修改前的地址回复数据,回复完以后会自动修改变送器地址.
保存和回复工厂命令会原值返回,表示变送器已经接受了主机的命令.
恢复工厂数据时要注意,可能工厂保存的参数和用户保存的不一致,所以其中地址,波特率和校准数据可能都不一致,所以恢复完工厂参数以后必须重新搜索变送器.
用户允许修改的数据只有 3 个,分别是地址,地址,波特率,零位偏移值.
一般用户不允许修改变送器的校准数据,如需校准和更改,请联系本公司索取变送器校准软件.用户自己发送修改校准数据命令会导致变送器输出命令异常代码。如需修改校准数据,请使用本公司的校准软件。
如果需要读取的数据时浮点数标识的,比如 6.000.但是本协议规定了数据都是以整形数据来通信的,所以读取到的数据是6000,然后要根据小数点的位置来做运算,才能得到6.000,比如小数点是3,则就是说6000/10(3),就是 6000 除以 10 的三次方,得到 6.000 这个数据.
质保及售后服务
本公司向客户承诺,本仪表供货时所提供的硬件附件在材质和制造工艺上都不存在缺陷。
从仪表购买之日开始计算,质保期内若收到用户关于此类缺陷的通知,本公司对确实有缺陷的产品实行无条件免费维护或者免费更换,对所有非定制产品一律保证 7 天内可退换。
免责声明
在质保期内,下列原因导致产品故障不属于三包服务范围:
(1)客户使用不当造成产品故障。
(2)客户对产品自行拆解、修理和改装造成产品故障。
售后服务承诺:
(1)客户的技术疑问,我们承诺在接收用户疑问后 2 小时内响应处理完毕。
(2)返厂维修的仪表我们承诺在收到货物后 3 个工作日内出具检测结果,7 个工作日内出具维修结果。
注意
本手册内容我们力求正确无误,如果您发现有误,请与我们联系。
本手册内容严禁转载、复制。
如无防爆标识、产品禁止使用在防爆场合。
温馨提示:
点击目录中的标题可以跳转到对应的栏目,方便使用。
在您阅读完后,可以收藏该网址,以便随时参照。
DEVELOPMENT BASED ON INTEGRITY
安徽运诚科技集团有限公司
地址:天长市张铺工业集中区
电话:400-660-6950
官网:www.ahyc.group
邮箱:sales@ahyc.group